Usinage
Rechercher usineur pour fabrication de pièce en Inox
Prestation terminée
Description du projet
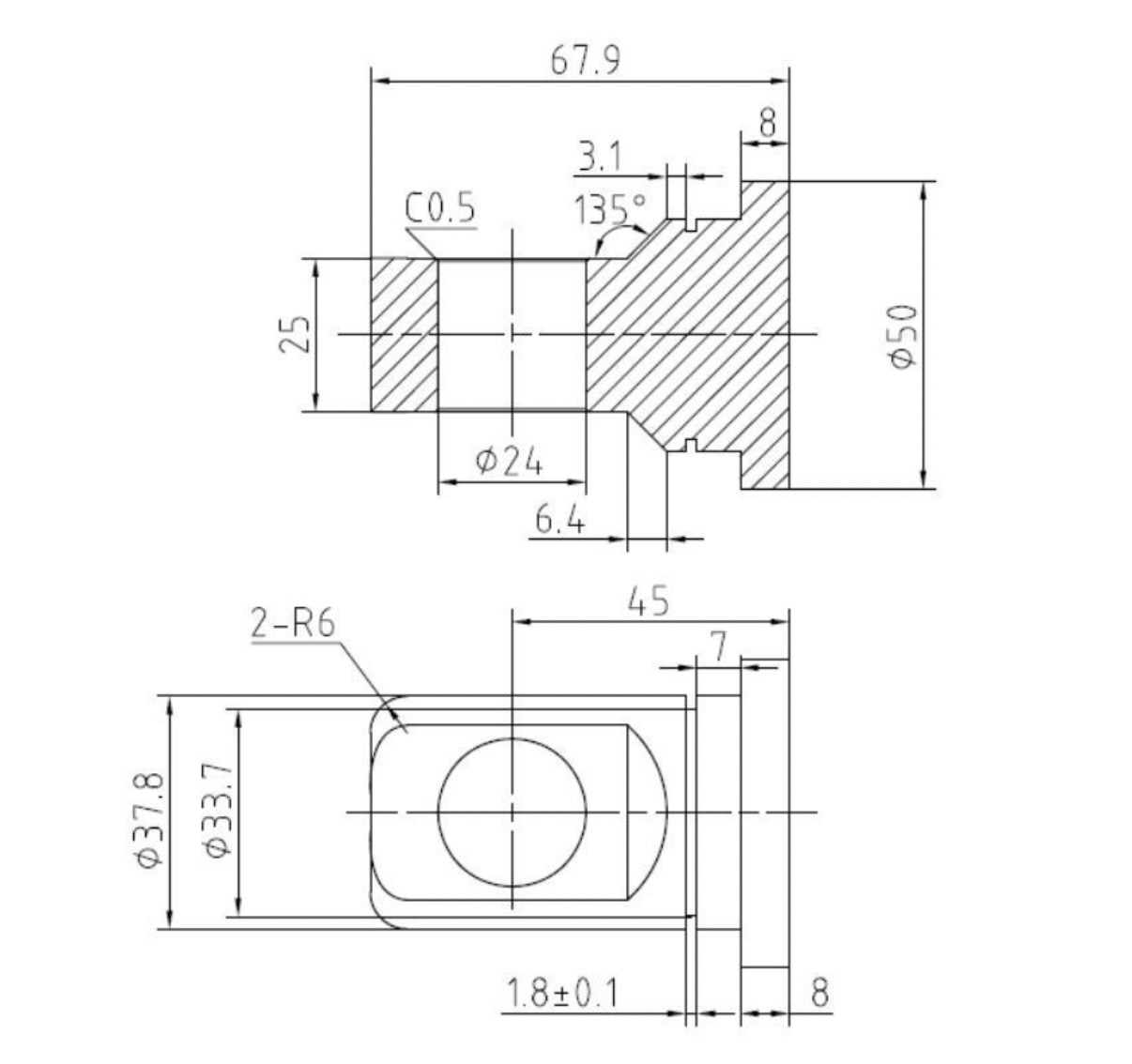
Usinage de deux pièce en Inox pour la fabrication de manille pivotante
Résolution de la demande
Le client a trouvé une solution par ses propres moyens
Espace commentaires
Besoin de précisions avant de vous engager ?
Critères et préférences
Restriction
Critère exclusif
Artisans et indépendants uniquement
Cette demande est réservée aux artisans et entrepreneurs individuels
Aucun commentaire pour le moment. Soyez le premier à poser une question !