Publié 2 mois Tôlerie

Découpe (lazer ou plasma) et pliage

Cette demande est terminée

Le client a marqué cette demande comme complétée.

Description du projet

Bonjour,
Je recherche une découpe (laser ou plasma) ainsi qu’un pliage dans une tôle de 6 à 8 mm pour réaliser une bride.
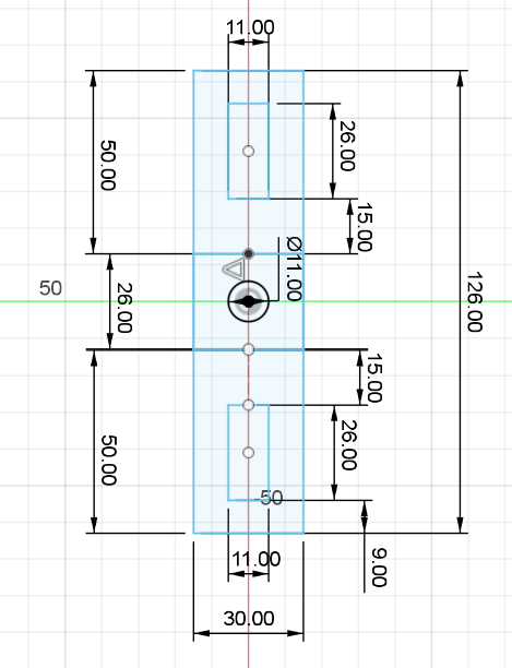
Les cotes à respecter sont les suivantes :
- Deux rectangles de 26 × 11 mm (le bord du rectangle doit être à 26 mm du côté percé).
- Un trou de 11 mm au centre de la pièce.
- Les dimensions intérieures de la pièce sont 50 × 30 × 26 mm.

Je souhaiterais obtenir un devis par pièce, en prévoyant la fabrication de plusieurs exemplaires.
Merci.

Résolution de la demande

Le client a trouvé une solution par ses propres moyens

Le client a choisi de faire appel à un prestataire trouvé en dehors de la plateforme.

Pièces jointes

Questions et réponses

Aucune question n'a encore été posée.