Usinage
Coordonnées visibles après acceptation du devis
Publié 3 mois Usinage

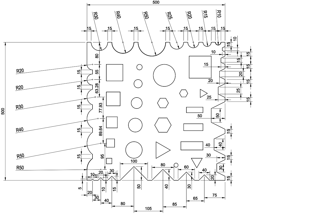
Tas à estamper de forge

Prestation terminée

Description du projet

Bonjour,
il me faudrait une découpe précise d'un bloc d'acier carré de 500mm par 500mm et d'environ 100mm de hauteur (je ferais avec ce que l'on peut me proposer, 80mm marchera aussi) dans une nuance d'acier à outil assez dur ( je pense principalement à du XC45 ou XC75, idem à voire ce que l'on peut me proposer).
Je pense que découper une tel épaisseur, un laser ne sera peut être pas suffisant ou assez précis (surement que la dépouille à la sortie sera trop conséquente); aussi je me tournerais probablement plus vers une découpe au jet d'eau ou par électroérosion (à voire également la précision que cela donnera).
Voila, merci beaucoup pour qui pourra traiter ma demande.
bonne journée.

Résolution de la demande

Le client a trouvé une solution par ses propres moyens

Espace commentaires

Besoin de précisions avant de vous engager ?

Aucun commentaire pour le moment. Soyez le premier à poser une question !