Publié 5 jours Tôlerie

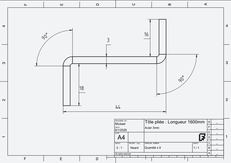
Pliage tôle suivant le plan

Cette demande est terminée

Le client a marqué cette demande comme complétée.

Description du projet

Pliage tôle acier de 3mm suivant plan.
Longueur 1600mm
Quantité x 6

Résolution de la demande

Le client a trouvé une solution par ses propres moyens

Motif : Préférence pour un prestataire local

Pièces jointes

Questions et réponses

Aucune question n'a encore été posée.