Publié 1 mois Tôlerie

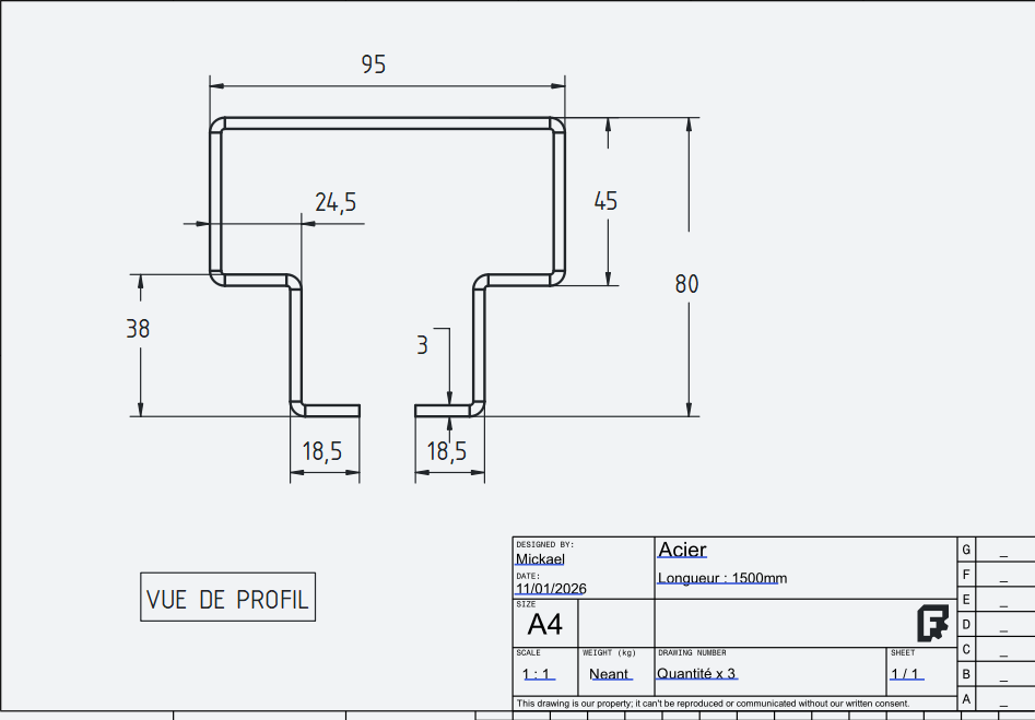
Pliage tôle suivant le plan

Cette demande est terminée

Le client a marqué cette demande comme complétée.

Description du projet

Pliage tôle sur mesure.
Réalisation de celle-ci sur tôle de 1500mm
Quantité x 3
Livraison 02

Résolution de la demande

Le client a trouvé une solution par ses propres moyens

Motif : Réponse plus rapide ailleurs

Pièces jointes

Questions et réponses

Aucune question n'a encore été posée.